三大优势
价格合理、质量稳定、交货快捷
专业服务
提供全套工程阀门解决方案,阀门售前、售中、售后专业服务
销售热线:021-56622563 56084471
图文传真: 021-56084473



ZKRQR系列电动O形三通球阀由电动执行机构和三通球阀组成。改变球芯与管道的相对位置,可以对三条管路流体实现不同的组合控制。 该产品以220V单相交流电为力源,接受控制系统 (或操作器) 来的 220V开关信号,并通过单相电源切换驱动可逆单相齿轮减速电机,按规定的组合要求,使球阀实现对管路流体的换向作用。 T型三通可使三路正交的管道互相连通,即起分流(合流)作用,也可使其中两条管道连通而切断另一路管道。 L型三通流路只能连通互相正交的两条管道或切换方向。
阀门特性
公称压力:PN1.0、1.6、2.5、4.0Mpa、ANSI150、300
公称通径:DN20~300mm
工作温度:硬密封:-40~300℃ 软密封:-40~180℃
工作电压:220V、380V
阀座形式:不锈钢可动硬密封、PTFE软密封。
主要材质:阀体 (1)WCB (2)304 (3)316 (4)316L
阀芯 (1)304 (2)316 (3)316L
流体范围: 空气、水、气体、石油和石化产品、腐蚀性介质
表面处理: 抛光
阀门材料
1) 轴 Shaft
不锈钢 ANSI316
1.4401
UNIX5CrNiMo 17 12
2) 防松螺母 Lock nut
不锈钢 ANSI304
1.4301
UNIX5CrNi 18 10
3) 压紧环型螺母 Gland nut ring
不锈钢 ANSI304
1.4301
UNIX5CrNi 18 10
4) 顶部密封环 至p tight ring
聚四氯乙烯 P.T.F.E.
5) O环 O-Ring
氟橡胶 VITON
6) 垫圈 Washer
聚四氯乙烯 P.T.F.E.
7) 密封圈 Seals
聚四氯乙烯 P.T.F.E.
8) 阀体 Body
不锈钢 ANSI316
1.4408
9) 球阀 Ball
不锈钢 ANSI316
1.4401
UNIX5CrNiMo 17 12
10) 顶部密封 End sealings
聚四氯乙烯 P.T.F.E.
11) 端部 End
不锈钢 ANSI316
1.4408
12) 法兰 Flange
不锈钢 ANSI316
1.4408
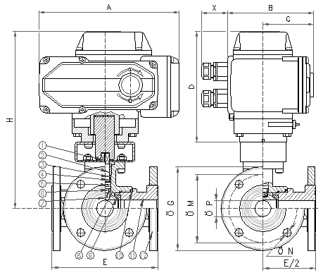
尺寸表
DN
内螺纹尺寸
通径
P. 阀门
A
B
C
D
X
E
ΦG
ΦM
ΦN
H
T. of cycle 50/60 Hz
重量
订货须知:
一、①ZKRQR系列电动O形三通球阀产品名称与型号②ZKRQR系列电动O形三通球阀口径③ZKRQR系列电动O形三通球阀是否带附件以便我们的为您正确选型。
二、若已经由设计单位选定公司的ZKRQR系列电动O形三通球阀型号,请按ZKRQR系列电动O形三通球阀型号直接向我司销售部订购。
三、当使用的场合非常重要或环境比较复杂时,请您尽量提供设计图纸和详细参数,由我们的专家为您审核把关。
感谢您访问我们的网站,如有任何疑问.您可以致电给我们,我们一定会尽心尽力为您提供优质的服务。


