三大优势
价格合理、质量稳定、交货快捷
专业服务
提供全套工程阀门解决方案,阀门售前、售中、售后专业服务
销售热线:021-56622563 56084471
图文传真: 021-56084473

仪表不锈钢疏水阀


一、产品[仪表不锈钢疏水阀]的详细资料:
产品名称:圆盘式仪表不锈钢疏水阀
二、结构特点:
1、带蒸汽或空气保温装置,不受环境温度影晌,减少动作频率,延长寿命。
2、备有过滤器自排污。
3、该阀动作灵敏可靠,排水量大。
三、工作原理:
本疏水阀是利月热动力学特性,当凝结水排流较低时会发生第二次蒸发。井在粘度、密封等方面与蒸汽方面存在差异驱动启阀件。
|
产品型号 |
口径 |
连接方式 |
最高允许温度℃ |
阀体材质 |
外形尺寸 | |||
|
CS19W-16P |
6 |
螺纹 |
250℃ |
0Cr18Ni9 |
50 |
48 |
30 |
18 |
|
CS19W-16P |
8 |
螺纹 |
250℃ |
0Cr18Ni9 |
50 |
48 |
30 |
18 |
|
CS19W-16P |
10 |
螺纹 |
250℃ |
0Cr18Ni9 |
52 |
58 |
35 |
23 |
|
SLZ热动力型 |
6 |
螺纹 |
250℃ |
0Cr18Ni9 |
40 |
33 |
24 |
9 |
|
SLZ热动型 |
8 |
螺纹 |
250℃ |
0Cr18Ni9 |
40 |
33 |
24 |
9 |
|
SLZ热动型 |
10 |
螺纹 |
250℃ |
0Cr18Ni9 |
52 |
37 |
26 |
11 |
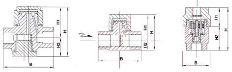
四、仪表不锈钢疏水阀主要外形尺寸与连接尺寸:
|
产品型号 |
口径(DN) |
B |
H |
H1 |
H2 |
|
ST-16C可调恒温式 |
15 |
62 |
162 |
95 |
67 |
|
20 |
68 |
162 |
95 |
67 | |
|
25 |
75 |
168 |
93 |
75 | |
|
32 |
80 |
175 |
100 |
80 |
五、仪表不锈钢疏水阀主要外形尺寸与连接尺寸:
|
型号 |
BNF1 |
BNF2 | ||||||
|
连接方式 |
ZG1/2″ |
ZG3/4″ |
ZG1″ |
ZG1/2″ |
ZG3/4″ |
ZG1″ | ||
|
通径 |
15 |
20 |
25 |
15 |
20 |
25 | ||
|
外形尺寸(mm) |
L |
100 |
105 |
105 |
100 |
105 |
105 | |
|
W |
63 |
63 |
63 |
63 |
63 |
63 | ||
|
重量(Kg) |
0.8 |
0.9 |
0.9 |
0.8 |
0.9 |
0.9 | ||
订货须知:
一、①仪表不锈钢疏水阀产品名称与型号②仪表不锈钢疏水阀口径③仪表不锈钢疏水阀是否带附件以便我们的为您正确选型。
二、若已经由设计单位选定公司的仪表不锈钢疏水阀型号,请按仪表不锈钢疏水阀型号直接向我司销售部订购。
三、当使用的场合非常重要或环境比较复杂时,请您尽量提供设计图纸和详细参数,由我们的专家为您审核把关。
感谢您访问我们的网站,如有任何疑问.您可以致电给我们,我们一定会尽心尽力为您提供优质的服务。
二、若已经由设计单位选定公司的仪表不锈钢疏水阀型号,请按仪表不锈钢疏水阀型号直接向我司销售部订购。
三、当使用的场合非常重要或环境比较复杂时,请您尽量提供设计图纸和详细参数,由我们的专家为您审核把关。
感谢您访问我们的网站,如有任何疑问.您可以致电给我们,我们一定会尽心尽力为您提供优质的服务。


